Ngokuqondile, lolu hlobo lwama-winches kagesi angama-600KN lwaklanywa futhi lwenzelwe i-class1600 ton.idokodo leselula, ngesi-Dutch port.
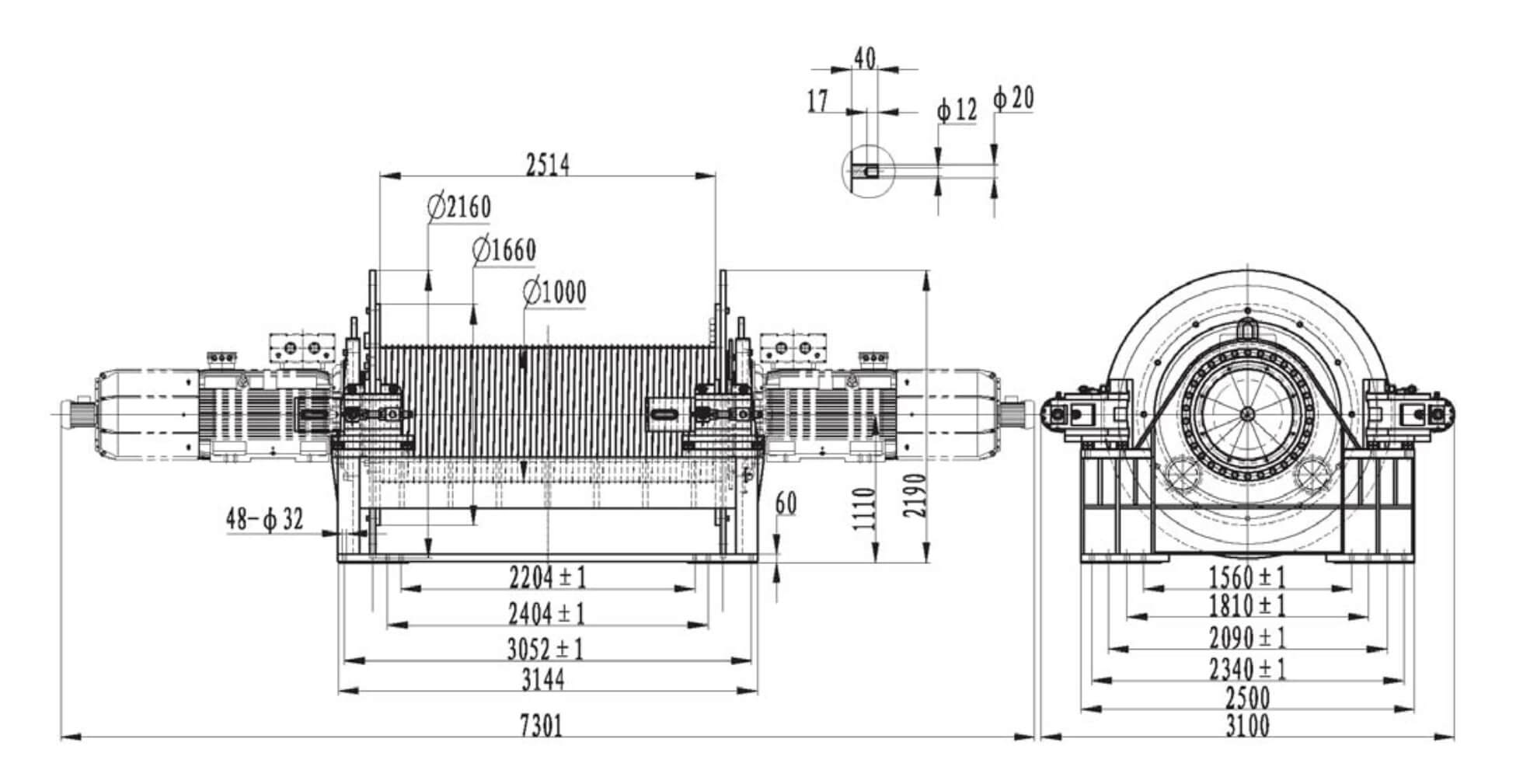
Ukucushwa Kwemishini:Iwintshi kagesi inamabhuleki amane, i-gearbox yeplanethi, isigubhu kanye ne-winch frame. Ukukhethwa kwemoto kagesi kunqunywa umklami wewintshi ngemuva kocwaningo lobuchwepheshe kanye nengxoxo namakhasimende. Izinguquko ezenziwe ngokwezifiso zezintshisekelo zakho ezihamba phambili ziyatholakala noma nini.
Inani eliphakeme kakhulu lama-600 KNIwishi likagesiAmapharamitha amakhulu:
| Imodeli | Isendlalelo soku-1 | Ububanzi Bentambo(mm) | Isendlalelo | Umthamo Wezintambo(m) | I-Electromotor Imodeli | Amapharamitha we-Electromotor | Isilinganiso | Amandla(KW) | ||
| Donsa(KN) | Isivinini(m/min) | I-Volt(V) | Imvamisa(Hz) | |||||||
| I-IDJ699-600-1000-44 | 600 | 2-60 | 44 | 5 | 1000 | I-SXLEE355ML..S-IM2001 | 440 | 60 | 88.3116 | 350x2 |
